<ul id="8ok0q"><tbody id="8ok0q"></tbody></ul>
  • <ul id="8ok0q"><pre id="8ok0q"></pre></ul>
    <samp id="8ok0q"><tbody id="8ok0q"></tbody></samp>
      <samp id="8ok0q"><tbody id="8ok0q"></tbody></samp>
      <strike id="8ok0q"><menu id="8ok0q"></menu></strike>
      
      
    • Hubei Dayu Hanguang Vacuum Electric Co.,Ltd.
      CN EN

      Embedded Poles

      Product details

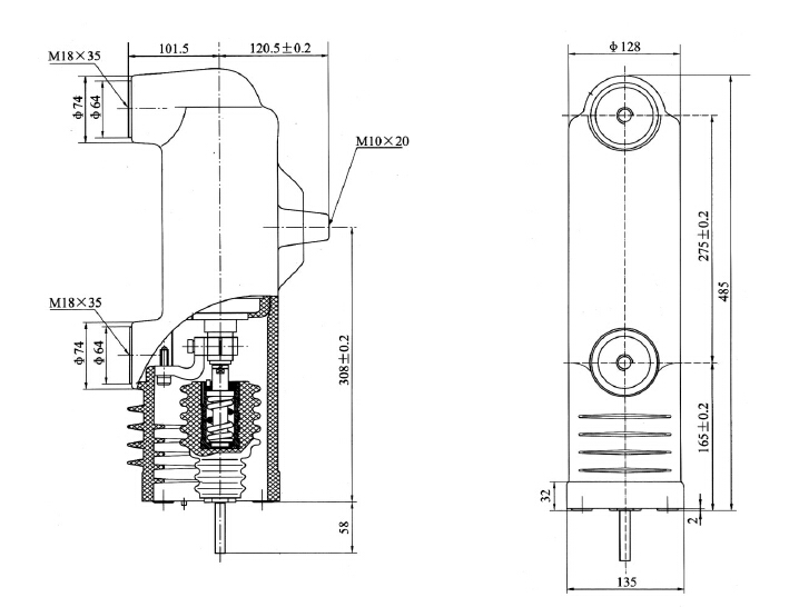
      HEP2-12 1250-25A 12 630-25A.jpg

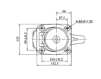
      HEP2-12 1250-25A 12 630-25A-2.jpg

      Main Technical Parameter
      Rated voltage12kV
      Rated current630/1250A
      Rated frequency50Hz
      Rated short-time Power frequency withstand voltage48kV
      Rated lightning impulse withstand voltage85kV
      Rated short-circuit breaking current25kA
      Rated short-circuit making current(peak)63kA
      Breaking operations of rated short circuit breaking current30 times
      Rated breaking current of single capacitor bank630A
      Rated short-time withstand current25kA
      Rated peak withstand current63kA
      Rated duration of short-circuit4 s
      Mechanical endurance10000 times
      Closing force due to bellow and atmosphere140±50N
      Force required to hold contacts open at full storke230±50N
      Circuit resistance at lowest rated contact force≤25μ?
      Contacts limit erosion3mm
      MECHANICAL DATA REQUIRED FOR THE MATCHED VACUUM SWITCHGEAR
      Clearance between open contacts11±1 mm
      Average opening speed1.2±0.2m/s
      Average closing speed0.6±0.2m/s
      Rated added extemal contact final force2500±200N
      Contact bouncing duration at closing operation≤2 ms
      Closing and opening non-simultaneity of three-phase contacts≤2 mm

      Prev archive:Embedded Poles

      Next archive:Embedded Poles

      Relevant information

      <ul id="8ok0q"><tbody id="8ok0q"></tbody></ul>
    • <ul id="8ok0q"><pre id="8ok0q"></pre></ul>
      <samp id="8ok0q"><tbody id="8ok0q"></tbody></samp>
        <samp id="8ok0q"><tbody id="8ok0q"></tbody></samp>
        <strike id="8ok0q"><menu id="8ok0q"></menu></strike>